产地:浙江 杭州 杭州市 | 归属行业:其他
品牌:华保电气
有效期至:长期有效
杭州华保电气有限公司是专业生产光伏汇流箱防反模块厂家:公司光伏事业部专业研发、生产、销售防反二极管、普通防反二极管模块,防反二极管模块,光伏防反模块,二极管模块,光伏专用防反二极管模组,直流柜专用防反二极管,光伏专用直流电涌保护器,光伏专用直流熔断器,光伏专用直流断路器,电源电涌保护器,信号电涌保护器,浪涌抑制器。公司产品通过欧盟CE认证,BC测试报告。

品牌:杭州华保电气
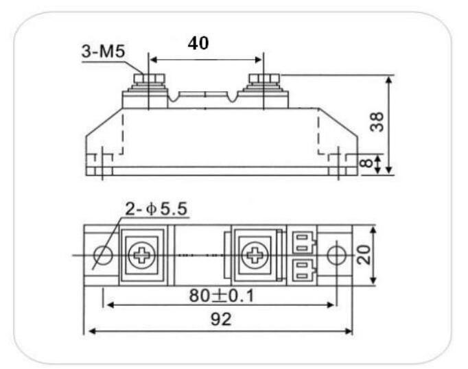
型号:GJMD26A1000V
类型:防反二极管
反向重复峰值电压:1200V~2500V
IA:26A
绝缘:3100V(比普通防反二极管高1100V)







一、使用条件及注意事项:
1、使用环境应无剧烈振动和冲击,环境介质中应无腐蚀金属和破坏绝缘的杂质和气氛。
2、模块管芯工作结温:二极管为-40℃∽160℃;环境温度不得高于40℃;环境湿度小于86%。
3、模块在使用前一定要加装散热器,散热器的选配见下节。散热可采用自然冷却、强迫风冷或水冷;当应用于实际负载电流大于40A的设备时,一般都需要选择强迫风冷设计。设计强迫风冷时,风速应大于6米∕秒。
4、对于加装散热器后,如何检查散热器是否配置合适。
(1)可以用温度表测量散热器的温度(靠近模块与散热器安装结合部),来分析是否能够可靠运行。
(2)测量散热器温度的时间点如何把握?
待设备开机运行30分钟-60分钟,达到热平衡后。
(3)测量到的温度数据如果做分析?
一般情况下,我们要求防反二极管安装的散热器最高有效温升小于50℃。即当散热器工作的环境温度在25℃时,散热器的温度应该小于75℃;如果环境温度达到45℃时,散热器的温度应该小于95℃。
5、必须保证控制柜内空气与柜体外空气循环流动。当防反二极管模块安装于控制柜内时,必须在控制柜顶部安装2-3台往柜体外抽风的轴流风机(热风是往上升的,有利于散热),同时控制柜靠近底部四周需要多设置百叶窗。
二、安装注意事项:
1、由于GJMD系列光伏防反二极管模块是绝缘型(即模块接线柱对铜底板之间的绝缘耐压大于3.1KV有效值),因此可以把多个模块安装在同一散热器上,或装置的接地外壳上。
2、散热器安装表面应平整、光滑,不能有划痕、磕碰和杂物。散热器表面光洁度应小于10μm。
模块安装到散热器上时,在它们的接触面之间应涂一层很薄的导热硅脂。涂脂前,用细砂纸把散热器接触面的氧化层去掉,然后用无水乙醇把表面擦干净,使接触良好,以减少热阻。
模块紧固到散热器表面时,采用M5或M6螺钉和弹簧垫圈,并以4NM力矩紧固螺钉
与模块主电极的连线应采用铜排,并有光滑平整的接触面,使接触良好。模块工作3小时后,各个螺钉须再次紧固一遍。
模块散热器选择
用户选配散热器时,必须考虑以下因素:
①模块工作电流大小,以决定所需散热面积;
②使用环境,据此可以确定采取什么冷却方式——自然冷却、强迫风冷、还是水冷;
③装置的外形、体积、给散热器预留空间的大小,据此可以确定采用什么形状的散热器。
或用户可直接选择光伏防反二极管模组。
详情可登陆公司官方网站:www.hzhbdq.com 或电话0571-89969646/15267101985 繆女士咨询